Giáo trình trang bị điện

Danh mục bài viết

Tìm hiểu về giáo trình trang bị điện – Tài liệu học tập chuyên sâu về lĩnh vực điện kỹ thuật. Đọc ngay để nâng cao kiến thức của bạn.

Thông tin về tài liệu

Lưu ý: Tài liệu được sưu tầm từ Internet, bản quyền sách thuộc về Tác giả & Nhà xuất bản.

  • Số trang: 82
  • Dạng thức: PDF
  • Nhà phát hành: Trung cấp Nghề Gia Lai
  • Tác giả: Giảng viên

Giới thiệu về giáo trình trang bị điện

Giáo trình Trang bị điện của bạn được biên soạn theo chương trình khung của Bộ Lao động Thương binh và Xã hội, với nội dung ngắn gọn và dễ hiểu.

Tuy nhiên, giáo trình chỉ đại diện cho một phần trong chương trình đào tạo ngành học, vì vậy người dạy và người học cần tham khảo thêm các giáo trình khác liên quan để đạt được hiệu quả cao.

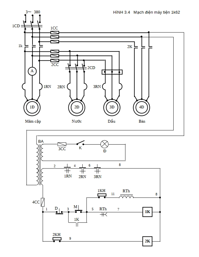
Mạch điện máy tiện trang bị điện

Giáo trình này mình thấy cũng cập nhật kiến thức mới và liên quan đến môn học. Đồng thời kết hợp lý thuyết với các vấn đề thực tế trong sản xuất và đời sống để giáo trình có tính ứng dụng cao.

Nội dung giáo trình

Giáo trình trang bị điện chia làm 2 phần nội dung chính bao gồm phần lý thuyết và phần thực hành. Các nội dung cụ thể như sau:

Nội dung phần lý thuyết:

  • Chương 1: Điều chỉnh tốc độ động cơ điện;
  • Chương 2: Tự động khống chế truyền động điện;
  • Chương 3: Trang bị điện máy công nghiệp.

Nội dung phần thực hành:

  • Bài 1: Tự động khống chế động cơ không đồng bộ ba pha roto lồng sóc.
  • Bài 2: Tự động khống chế động cơ không đồng bộ ba pha roto dây quấn.
  • Bài 3: Tự động khống chế động cơ điện một chiều.
  • Bài 4: Trang bị điện cho máy cắt gọt kim loại.
  • Bài 5: Trang bị điện máy sản xuất.

Giáo trình trang bị điện đã được biên soạn với mục đích hướng đến đối tượng là học sinh Trung cấp nghề, công nhân lành nghề điện. Ngoài ra thì đây cũng là một tài liệu tham khảo hữu ích cho sinh viên Cao đẳng kỹ thuật và kỹ thuật viên ở nhiều lĩnh vực khác nhau.

Tài liệu trình bày ngắn gọn dễ hiểu. Tuy nhiên thì kiến thức vẫn còn chưa được đầy đủ do phải lược bỏ bớt để phù hợp với trình độ trung cấp nghề. Ngoài tài liệu này ra thì bạn nên tham khảo thêm các tài liệu khác để có được kiến thức chuyên sâu hơn.

Giáo trình trang bị điện

Tóm tắt nội dung

Tìm hiểu về giáo trình trang bị điện – Tài liệu học tập chuyên sâu về lĩnh vực điện kỹ thuật. Đọc ngay để nâng cao kiến thức của bạn.

Thông tin về tài liệu

Lưu ý: Tài liệu được sưu tầm từ Internet, bản quyền sách thuộc về Tác giả & Nhà xuất bản.

  • Số trang: 82
  • Dạng thức: PDF
  • Nhà phát hành: Trung cấp Nghề Gia Lai
  • Tác giả: Giảng viên

Giới thiệu về giáo trình trang bị điện

Giáo trình Trang bị điện của bạn được biên soạn theo chương trình khung của Bộ Lao động Thương binh và Xã hội, với nội dung ngắn gọn và dễ hiểu.

Tuy nhiên, giáo trình chỉ đại diện cho một phần trong chương trình đào tạo ngành học, vì vậy người dạy và người học cần tham khảo thêm các giáo trình khác liên quan để đạt được hiệu quả cao.

Mạch điện máy tiện trang bị điện

Giáo trình này mình thấy cũng cập nhật kiến thức mới và liên quan đến môn học. Đồng thời kết hợp lý thuyết với các vấn đề thực tế trong sản xuất và đời sống để giáo trình có tính ứng dụng cao.

Nội dung giáo trình

Giáo trình trang bị điện chia làm 2 phần nội dung chính bao gồm phần lý thuyết và phần thực hành. Các nội dung cụ thể như sau:

Nội dung phần lý thuyết:

  • Chương 1: Điều chỉnh tốc độ động cơ điện;
  • Chương 2: Tự động khống chế truyền động điện;
  • Chương 3: Trang bị điện máy công nghiệp.

Nội dung phần thực hành:

  • Bài 1: Tự động khống chế động cơ không đồng bộ ba pha roto lồng sóc.
  • Bài 2: Tự động khống chế động cơ không đồng bộ ba pha roto dây quấn.
  • Bài 3: Tự động khống chế động cơ điện một chiều.
  • Bài 4: Trang bị điện cho máy cắt gọt kim loại.
  • Bài 5: Trang bị điện máy sản xuất.

Giáo trình trang bị điện đã được biên soạn với mục đích hướng đến đối tượng là học sinh Trung cấp nghề, công nhân lành nghề điện. Ngoài ra thì đây cũng là một tài liệu tham khảo hữu ích cho sinh viên Cao đẳng kỹ thuật và kỹ thuật viên ở nhiều lĩnh vực khác nhau.

Tài liệu trình bày ngắn gọn dễ hiểu. Tuy nhiên thì kiến thức vẫn còn chưa được đầy đủ do phải lược bỏ bớt để phù hợp với trình độ trung cấp nghề. Ngoài tài liệu này ra thì bạn nên tham khảo thêm các tài liệu khác để có được kiến thức chuyên sâu hơn.

Giáo trình trang bị điện

Tóm tắt nội dung

Tìm hiểu về giáo trình trang bị điện – Tài liệu học tập chuyên sâu về lĩnh vực điện kỹ thuật. Đọc ngay để nâng cao kiến thức của bạn.

Thông tin về tài liệu

Lưu ý: Tài liệu được sưu tầm từ Internet, bản quyền sách thuộc về Tác giả & Nhà xuất bản.

  • Số trang: 82
  • Dạng thức: PDF
  • Nhà phát hành: Trung cấp Nghề Gia Lai
  • Tác giả: Giảng viên

Giới thiệu về giáo trình trang bị điện

Giáo trình Trang bị điện của bạn được biên soạn theo chương trình khung của Bộ Lao động Thương binh và Xã hội, với nội dung ngắn gọn và dễ hiểu.

Tuy nhiên, giáo trình chỉ đại diện cho một phần trong chương trình đào tạo ngành học, vì vậy người dạy và người học cần tham khảo thêm các giáo trình khác liên quan để đạt được hiệu quả cao.

Mạch điện máy tiện trang bị điện

Giáo trình này mình thấy cũng cập nhật kiến thức mới và liên quan đến môn học. Đồng thời kết hợp lý thuyết với các vấn đề thực tế trong sản xuất và đời sống để giáo trình có tính ứng dụng cao.

Nội dung giáo trình

Giáo trình trang bị điện chia làm 2 phần nội dung chính bao gồm phần lý thuyết và phần thực hành. Các nội dung cụ thể như sau:

Nội dung phần lý thuyết:

  • Chương 1: Điều chỉnh tốc độ động cơ điện;
  • Chương 2: Tự động khống chế truyền động điện;
  • Chương 3: Trang bị điện máy công nghiệp.

Nội dung phần thực hành:

  • Bài 1: Tự động khống chế động cơ không đồng bộ ba pha roto lồng sóc.
  • Bài 2: Tự động khống chế động cơ không đồng bộ ba pha roto dây quấn.
  • Bài 3: Tự động khống chế động cơ điện một chiều.
  • Bài 4: Trang bị điện cho máy cắt gọt kim loại.
  • Bài 5: Trang bị điện máy sản xuất.

Giáo trình trang bị điện đã được biên soạn với mục đích hướng đến đối tượng là học sinh Trung cấp nghề, công nhân lành nghề điện. Ngoài ra thì đây cũng là một tài liệu tham khảo hữu ích cho sinh viên Cao đẳng kỹ thuật và kỹ thuật viên ở nhiều lĩnh vực khác nhau.

Tài liệu trình bày ngắn gọn dễ hiểu. Tuy nhiên thì kiến thức vẫn còn chưa được đầy đủ do phải lược bỏ bớt để phù hợp với trình độ trung cấp nghề. Ngoài tài liệu này ra thì bạn nên tham khảo thêm các tài liệu khác để có được kiến thức chuyên sâu hơn.

Bài cùng chủ đề