Trang chủ » Kiến thức
Nguyên lý máy nạp ắc quy và cấu tạo bộ chỉnh lưu chi tiết
Tóm tắt nội dung
Trong hạ tầng kỹ thuật điện hiện nay, việc duy trì nguồn điện dự phòng thông qua hệ thống ắc quy là yếu tố sống còn đối với các trạm biến áp, viễn thông và nhà máy công nghiệp. Để đảm bảo nguồn năng lượng này luôn sẵn sàng, máy nạp đóng vai trò là thiết bị trung tâm. Máy nạp không chỉ đơn thuần là bộ chuyển đổi năng lượng mà còn là hệ thống bảo vệ, điều tiết dòng điện đầu ra để duy trì tuổi thọ cho các tổ ắc quy và cung cấp nguồn điện ổn định cho phụ tải một chiều.
1. Máy nạp là gì và vai trò trong hệ thống điện
Máy nạp là một thiết bị điện tử công suất được thiết kế với chức năng chính là biến đổi dòng điện xoay chiều (AC) từ lưới điện đầu vào thành dòng điện một chiều (DC) ở đầu ra. Nguồn DC này được sử dụng đồng thời cho hai mục đích: nạp điện cho hệ thống ắc quy dự phòng và cung cấp điện năng cho các phụ tải DC trong hệ thống.
Về cơ bản, máy nạp hoạt động như một cầu nối năng lượng, đảm bảo tính liên tục của hệ thống điện ngay cả khi nguồn AC chính gặp sự cố. Việc chuyển đổi từ AC sang DC cần độ chính xác cao về điện áp để tránh gây hư hỏng cho các tấm cực bên trong bình ắc quy.
2. Cấu tạo và nguyên lý làm việc của máy nạp
Nguyên lý làm việc chung của các máy nạp hiện nay dựa trên sự kết hợp giữa kỹ thuật điện từ trường và kỹ thuật bán dẫn. Một hệ thống nạp tiêu chuẩn thường bao gồm các thành phần cốt lõi sau:
2.1. Máy biến áp cách ly
Máy biến áp cách ly là thành phần đầu tiên trong chuỗi biến đổi năng lượng. Thiết bị này thực hiện hai nhiệm vụ quan trọng:
- Phối hợp điện áp: Hạ mức điện áp xoay chiều nguồn (ví dụ 220V hoặc 380V) xuống mức điện áp phù hợp với yêu cầu nạp của ắc quy sau khi qua bộ chỉnh lưu.
- Cách ly điện tử: Tạo ra sự cách ly hoàn toàn về điện giữa mạch xoay chiều đầu vào và mạch một chiều đầu ra. Điều này giúp bảo vệ phụ tải và người vận hành khỏi các sự cố chạm đất hoặc xung sét từ lưới điện.
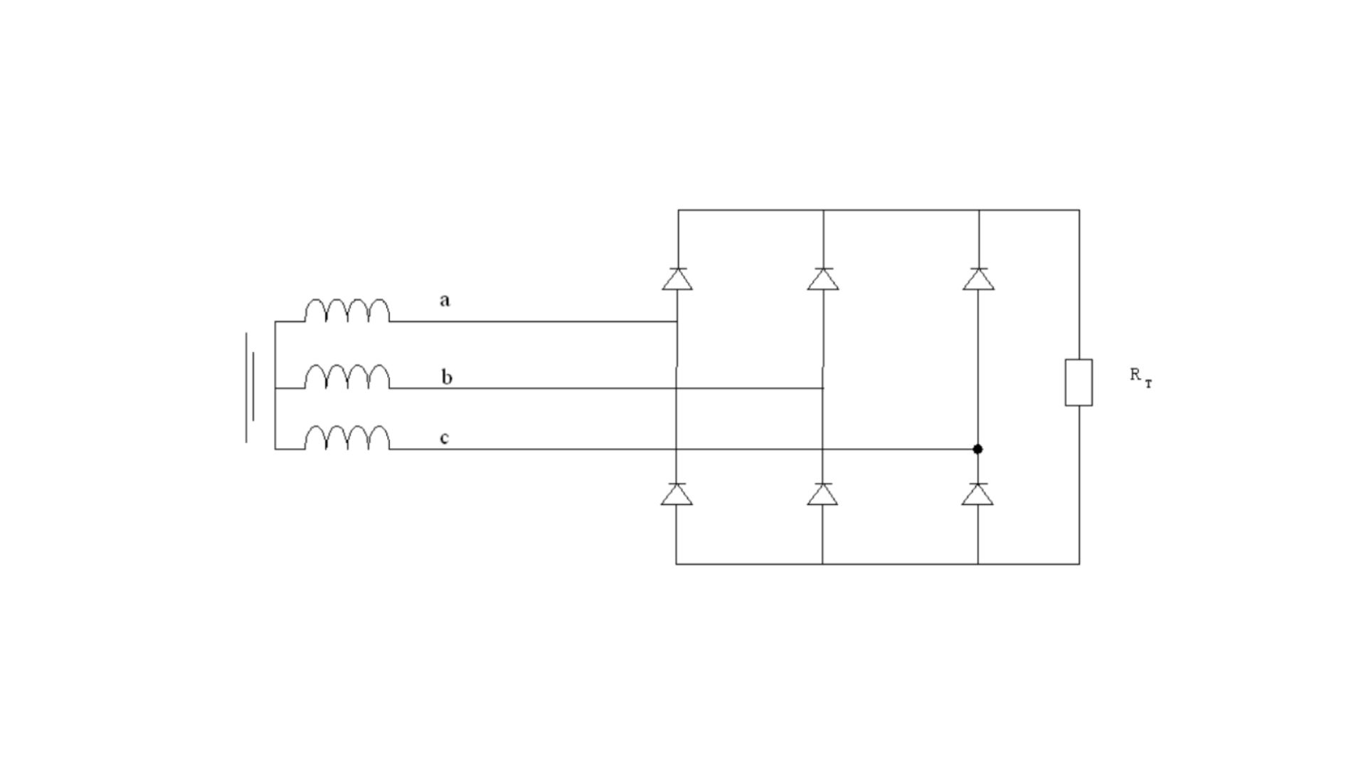
2.2. Bộ chỉnh lưu dòng điện
Sau khi điện áp được hạ xuống thông qua biến áp, nó sẽ được đưa qua bộ chỉnh lưu.

Đây là “trái tim” của máy nạp, nơi diễn ra quá trình biến đổi dạng sóng từ xoay chiều thành một chiều. Tùy vào công suất và độ ổn định yêu cầu, người ta có thể sử dụng:
- Chỉnh lưu nửa chu kỳ: Sử dụng đơn lẻ linh kiện bán dẫn, hiệu suất thấp, thường dùng cho thiết bị công suất nhỏ.
- Chỉnh lưu cầu (Toàn chu kỳ): Sử dụng 4 Diode hoặc Thyristor, cho phép tận dụng cả hai nửa chu kỳ của dòng điện AC, tạo ra dòng DC phẳng hơn.
- Chỉnh lưu 3 pha: Sử dụng cho các hệ thống công nghiệp công suất lớn, giúp giảm độ gợn sóng (ripple) của điện áp đầu ra.

3. Phân tích kỹ thuật và công thức tính toán điện áp
Để hiểu rõ hơn về hiệu suất nạp, chúng ta cần xem xét các công thức xác định giá trị điện áp sau chỉnh lưu. Việc tính toán chính xác giúp người kỹ sư lựa chọn thiết bị phù hợp với đặc tính của ắc quy (như ắc quy chì-axit, Ni-Cd hay Lithium).
4. Quy trình vận hành và bảo dưỡng máy nạp
Một máy nạp hiện đại không chỉ dừng lại ở việc chỉnh lưu mà còn tích hợp các mạch lọc nhiễu và bộ điều khiển thông minh. Khi hệ thống hoạt động, máy sẽ tự động theo dõi nội trở của ắc quy và điều chỉnh dòng nạp theo phương pháp $IU$ (Dòng điện không đổi – Điện áp không đổi). Điều này ngăn chặn hiện tượng quá nhiệt và bay hơi dung dịch điện phân.
Người vận hành cần lưu ý kiểm tra định kỳ các tiếp điểm kết nối giữa máy nạp và ắc quy. Sự lỏng lẻo tại các đầu cực có thể gây ra hiện tượng sụt áp, làm sai lệch kết quả đo của bộ điều khiển, dẫn đến tình trạng nạp thiếu hoặc nạp quá mức, gây nguy cơ cháy nổ.
Việc hiểu rõ nguyên lý hoạt động và cấu tạo của máy nạp giúp chúng ta vận hành hệ thống điện một cách an toàn và hiệu quả hơn. Với sự phát triển của công nghệ biến tần và các bộ điều khiển kỹ thuật số, máy nạp ngày càng trở nên nhỏ gọn, thông minh và có độ tin cậy cao, đóng vai trò then chốt trong việc duy trì an ninh năng lượng cho mọi công trình.
Bài cùng chủ đề
